
很多人都在问如何在cad中输入坐标点,今天就给大家讲解一下如何在cad中输入坐标点。
演示机型:华为MateBook X 系统版本:win10 20H2 APP版本:cad20201、打开AutoCAD,启动后进入软件界面。

2、找到软件界面右下角的工具栏,依次开启显示图形栅格、捕捉到图形栅格、对象捕捉。

3、点开“对象捕捉”旁边的三角形,在弹出的选项栏中勾选端点、中点、圆心、几何中心、交点。

4、输入直线命令“line”,也可选择左上角菜单栏中的“直线”工具。

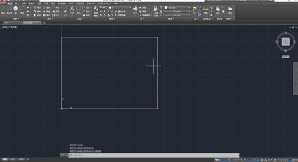
5、输入点的坐标,例如:利用点坐标画一个矩形,在命令栏中,输入字母l,接着依次输入0,0;700,0;700,500;-700,500,再按字母c。

cad:
计算机辅助设计(Computer Aided Design)指利用计算机及其图形设备帮助设计人员进行设计工作。在设计中通常要用计算机对不同方案进行大量的计算、分析和比较,以决定最优方案;各种设计信息,不论是数字的、文字的或图形的,都能存放在计算机的内存或外存里,并能快速地检索;设计人员通常用草图开始设计,将草图变为工作图的繁重工作可以交给计算机完成;由计算机自动产生的设计结果,可以快速作出图形,使设计人员及时对设计做出判断和修改;利用计算机可以进行与图形的编辑、放大、缩小、平移、复制和旋转等有关的图形数据加工工作。
以上就是如何在cad中输入坐标点,希望对大家有所帮助。






